愛あるセレクトをしたいママのみかた

リニアテクノロジー、フライバックコントローラの軍需用MPグレードを販売

マイナビニュース
リニアテクノロジー、フライバックコントローラの軍需用MPグレードを販売
リニアテクノロジーは、高入力電圧の絶縁型フライバックDC/DC コントローラ「LT3748」の軍需用MPグレードバージョン「LT3748MP」の販売を開始したと発表した。

LT3748MPは-55℃~+150℃の動作温度範囲で仕様が規定され、高電圧ピン間の間隔を広げるために4本のピンを取り去ったMSOP-16パッケージで供給される。

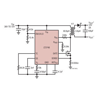
LT3748は出力電圧を1次側のフライバック信号から検出するので、帰還のためのオプトアイソレータや、3次巻線、信号トランスが不要で、絶縁型DC/DCコンバータの設計を簡素化できる。また、5V~100Vの入力電圧で動作し、外付けN チャネル・パワーMOSFETを駆動するため、車載、産業用、テレコム、データコムなどのさまざまなアプリケーションに適用可能だという。

また、可変周波数電流モード制御スイッチング方式であるバウンダリモードで動作し、入力、負荷、温度の全範囲にわたり標準±5%のレギュレーションを実現。これにより、同等の連続導通モードの設計に比べて小型のトランスを使用できる。出力電圧は、2本の外付け抵抗とトランスの巻数比で容易に設定可能。

IC給電用の内部低損失レギュレータ、プログラム可能なソフトスタート、低電圧ロックアウト、調整可能な電流制限、出力電圧の温度補償などを特長としており、多くのアプリケーションで既製トランスが使用できるほか、高い集積度とバウンダリモード動作により、従来難題だった絶縁電力供給に対する簡単で明快なソリューションを提供することが可能だ。


なお、LT3748MPの1000個時の参考単価は9.25ドルからで、同社国内販売代理店経由で販売される。

提供元の記事

提供:

マイナビニュース

この記事のキーワード