レクロイ、CAN FDレートトリガ/デコードソリューションを発表
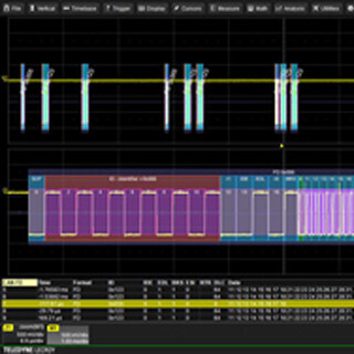
同ソリューションにより、物理レイヤの信号とプロトコル・レイヤのデータを1つの画面上で関連付けし、CAN FDトリガではフレームID、特定のデータ・パケット、リモート・フレームおよびエラー・フレームを分離することができるようになるほか、デコードではカラーコード化されたオーバレイを使用して捕捉中のデータの異なる部分を分かりやすく表示することで、フレームID、ステータス・ビット、メッセージ・データなど、CAN FDデータのさまざまな部分を素早く特定することができるようになるとする。
また、CAN FDと従来のCANを同時に使用するといった組み合わせも可能な4つのバスを同時にデコードする機能も備えており、デコードされたデータを対話型テーブルに表示することも可能だ。さらに、同テーブルのデコード結果を選択する事で自動的に該当部分の波形をズームする事が可能なため、長い記録でもスクロールして探す必要をなくすこともできるという。
提供元の記事
関連リンク
-
恋を遠ざけるのは「言葉の多さ」だった?相手の心にスッと届く、スマートな連絡の秘訣
-
new
放射冷却素材「Radi-Cool (ラディクール)」採用の保冷バッグ2種を発売 遮熱率63%・表面温度 -33℃以上の差を実現
-
new
結婚式前日…妹「ほんとに結婚式するの?」⇒翌日に姉が結婚式を中止にしたワケ
-
new
ダッシュボード表面温度 最大-33.4℃|放射冷却素材 「Radi-Cool (ラディクール)」生地採用の車用サンシェード2026年改良モデルを発売
-
new
「うめきたの森」2026年11月20日(金)開園~JR大阪駅前に“都市の森”が誕生。生態系を再生成し、人と自然が共生する新たな都市拠点へ~